| PERFIL | IMAGEN | VELOCIDAD MÁXIMA | RANGO DE TEMPERATURA | MATERIAL | DIAGRAMA |
|---|---|---|---|---|---|
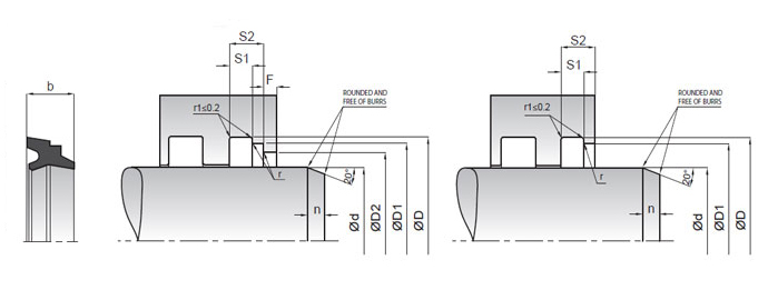
| WAU | 1.0 m/sec | -30°C / 105°C | PU | VER | |
| WBU | 1.0 m/sec | -30°C / 105°C | PU | VER | |
| WCU | 4.0 m/sec | -40°C / 120°C | PU | ||
| WG | 4.0 m/sec | -45°C / 110°C | PU | VER | |
| WN | 1.0 m/sec | -40°C / 100°C | NBR / ACERO | VER | |
| WO | 1.0 m/sec | -40°C / 100°C | PU / ACERO | VER | |
| WR | 1.0 m/sec | -30°C / 100°C | PU / ACERO | VER | |
| WS | 1.0 m/sec | -40°C / 100°C | PU / ACERO | ||
| K30 | 1.0 m/sec | -30°C / 105°C | PU / ACERO | VER |